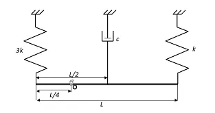
Q. A slender uniform rigid bar of mass 𝑚 is hinged at O and supported by two springs, with stiffnesses 3𝑘 and 𝑘, and a damper with damping coefficient 𝑐, as shown in the figure. For the system to be critically damped, the ratio 𝑐/√𝑘𝑚 should be

Ans: 4√7
Sol:





