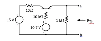
Q. In the circuit shown in the figure, the bipolar junction transistor (BJT) has a current gain π½ = 100. The base-emitter voltage drop is a constant, ππ΅πΈ = 0.7 π. The value of the Thevenin equivalent resistance π πβ (in Ξ©) as shown in the figure isΒ ___________(up to 2 decimal places).

Ans: 89 – 91.5




