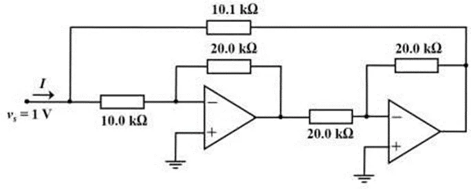
Q. The circuit given uses ideal opamps. The current I (in mA) drawn from the source vs is (up to two decimal places) _ .

Ans: 0.98 – 1

Q. The circuit given uses ideal opamps. The current I (in mA) drawn from the source vs is (up to two decimal places) _ .

Ans: 0.98 – 1