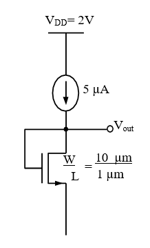
Q. The enhancement type MOSFET in the circuit below operates according to the square law. πππΆππ₯ = 100 ΞΌA/V2, the threshold voltage (VT) is 500 mV. Ignore channel length modulation. The output voltage Vout is

| (A) 100 mV | (B) 500 mV | (C) 600 mV | (D) 2 V |
Ans: 600 mV




