
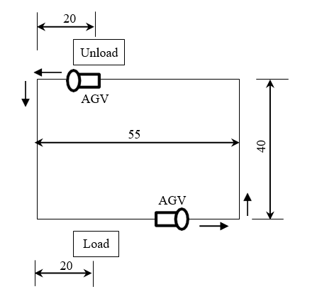
Q. The layout for an AGV system is shown in figure. The loading time is 0.5 minutes and the unloading time is also 0.5 minutes. All distances are in meters.

Considering a vehicle velocity of 50 m/min, availability of 0.95 and traffic factor of 0.9, the number of vehicles required to satisfy a demand of 50 delivery/hour is
Ans: 4-5
Sol:
