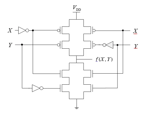
The logic function f (X , Y) realized by the given circuit is HomeGATEThe logic function f (X , Y) realized by the given circuit isgate questionsQ. The logic function f (X , Y) realized by the given circuit is(A) NOR (B) AND (C) NAND (D) XORAns: XOR
Some students were not involved in the strike. If the above statement is true, which of the following conclusions
The radius as well as the height of a circular cone increases by 10%. The percentage increase in its volume is