
Q. The state transition diagram for the circuit shown is


Ans: Option (C)
Solution:
Case 3:
Q = 1
A = 0
NAND output = 1 NAND Q’
= 1 NAND 0
= 1
Qn+1 = 1

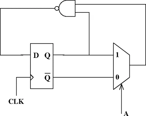
Q. The state transition diagram for the circuit shown is


Ans: Option (C)
Solution:
Case 3:
Q = 1
A = 0
NAND output = 1 NAND Q’
= 1 NAND 0
= 1
Qn+1 = 1