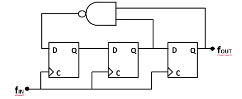
Q. Which one of the following statements is true about the digital circuit shown in the figure

A. It can be used for dividing the input frequency by 3.
B. It can be used for dividing the input frequency by 5.
C. It can be used for dividing the input frequency by 7.
D. It cannot be reliably used as a frequency divider due to disjoint internal cycles.
Ans: It can be used for dividing the input frequency by 5.




