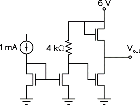
Q. In the circuit shown below, all transistors are n-channel enhancement mode MOSFETs. They are identical and are biased to operate in saturation mode. Ignoring channel length modulation, the output voltage Vout isΒ __________.

Ans: 4
Sol:
By using the current mirror concept current flow in 4 kΞ© branch will be 1 mA.





